中文版 | ENGLISH
电话:0510-85343091 85343092
E-mail:anklam@163.com
 产品介绍 _PRODUCT
- APF 中文宣传册
- SVG 中文宣传册
- TAPF 中文宣传册
- TSVG 中文宣传册
- 低压无功补偿装置
- 电抗器
- 电容器
- 功率因数控制器
- 晶闸体开关
- AN-CA 型自愈式低压并联电容器
- AN-CA 高压并联电容器
- AN-RE 低压串联滤波电抗器
- AN-RE 高压串联电抗器
- AN-RVT(D)-12功率因数控制器
- AN-RVT21D动态功率因数控制器
- AN-TSC动态投切开关
- 谐波保护器
- AN-APF有源电力滤波器
- 智能化动态有源无功补偿器
- 静止无功发生器
- 中压SVG
- AN-TC(S)L无源滤波装置
- 无功补偿设计选型方案
- 无功补偿设计图例
- 滤波装置投运报告
 
 
APF 中文宣传册

有源滤波器(APF)

产品介绍

有源滤波器产品图1 有源滤波器产品图2

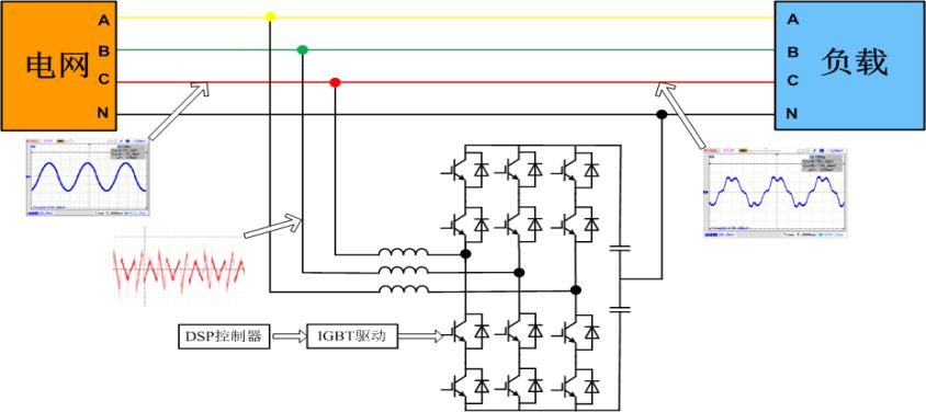
有源电力滤波器,是采用现代电力电子技术和基于高速DSP器件的数字信号处理技术制成的新型电力谐波治理专用设备。它由指令电流运算电路和补偿电流发生电路两个主要部分组成。指令电流运算电路实时监视线路中的电流

并将模拟电流信号转换为数字信号,送入高速数字信号处理器(DSP)对信号进行处理,将谐波与基波分离,并以脉宽调制(PWM)信号形式向补偿电流发生电路送出驱动脉冲,驱动IGBT或IPM功率模块,生成与电网谐波电流幅值相等、极性相反的补偿电流注入电网,对谐波电流进行补偿或抵消,主动消除电力谐波

产品特点

1、采用现代电力电子技术和基于高速DSP器件的数字信号处理技术制成的新型电力谐波治理专用设备

2、它由指令电流运算电路和补偿电流发生电路两个主要部分组成

3、模块化设计,任意模块故障不会影响其它模块的正常工作(模块独立工作),极大提高了整机设备的可靠性

4、可同时滤除 2~50 次以下的奇次谐波电流,可根据需要设定需要 13 种滤波的谐波次段。当负载电流畸变率>20%时,滤除率不低于 85%;负载电流畸变率<20%时,滤除率不低于 75%

5、采用国际知名品牌第五代 IGBT,能自动根据负载的谐波电流调整输出,动态滤波

6、采用军工级 FPGA 控制芯片,运行速度快、可靠性高

7、采用分层设计,粉尘雨露不会附着在电路板上,适应恶劣工况下的使用

8、采用滑动窗迭代 DFT 检测算法,计算速度快,瞬时响应时间小于 0.1ms,装置补偿全响应时间小于 20ms

9、输出滤波采用 LCL 结构接入电网,自身的高频载波不会回馈到电网,对配电系统中其他设备没有干扰

10、具备完整的保护功能,包括过压、过流、过热、短路等完备保护功能,同时具备系统自我诊断功能

11、采用可靠的限流控制环节,当系统中的待补偿电流大于装置的额定容量时,装置能够自动限流在 100%容量输出,维持正常工作,不会出现过载烧毁等故障

12、为用户节省空间,600mm 宽的柜体最大功率为400A,800mm 宽的柜体的大功率可达800A

型号释义

型号释义图

技术参数

类别 项目 指标
规格 电压等级 380V 660V
模块规格 35A 50A/75A 100A/150A 200A 50A/100A
模块尺寸 480*130*440
(W*H*D) 480*200*530
680*200*530
680*200*550
可并联数量 12
输入 工作电压 380V(-10%+10%)、660V(-10%~+10%)
工作频率 50Hz(-10% ~ +10%)
功能 补偿谐波 2-50次
谐波滤除率 优于《JB/T11067-2011低压有源电力滤波装置》标准的要求
补偿无功 -1~+1可调(设备容量范围内)
补偿三相不平衡 100%不平衡完全补偿
通讯协议 通讯方式 RS485、Modbus协议
通讯接口 RS485
上位机软件 有,所有参数可通过上位机设置
故障报警 有,最多可记录500条报警信息
监控 支持各模块独立监控/整机集中监控
技术指标 全响应时间 ≤20ms
有功损耗 ≤2.5%
散热方式 智能风冷
噪声 ≤60dB
保护功能 过压、欠压、过热、过流、短路等二十余种保护
CT安装位置 负载侧/电网侧 可选
环境要求 工作温度 -10℃~+50℃
海拔 <5000米(1000米以上,每增加100米容量降低1%)
相对湿度 <95%,无凝露
防护等级 模块IP20+电子层IP42(可定制IP54)
抗污染等级 2级(可定制3级)

参数列表

电压(V) 电流(A) 型号 安装尺寸(mm)宽*长*高 安装方式
400 50 AN-APF4-50/0.4 480×530×200 模块
400 75 AN-APF4-75/0.4 480×530×200 模块
400 100 AN-APF4-100/0.4 480×530×200 模块
400 150 AN-APF4-150/0.4 680×530×200 模块
400 200 AN-APF4-200/0.4 680×530×200 模块
400 400 AN-APF4-400/0.4 800×1000×2200 柜子
400 600 AN-APF4-600/0.4 1000×1000×2200 柜子
690 50 AN-APF3-50/0.69 680×550×200 模块
690 100 AN-APF3-100/0.69 680×550×200 模块
690 200 AN-APF3-200/0.69 800×1000×2200 柜子
690 300 AN-APF3-300/0.69 1000×1000×2200 柜子
690 400 AN-APF3-400/0.69 1000×1000×2200 柜子

产品尺寸

380V 150kvar模块
380V 150kvar 模块 380V 150A/100A 模块
380V 75A/50A模块 380V 35A模块
380V 75A/50A 模块 380V 35A 模块
660V 100A/50A模块
660V 100A/50A 模块
产品尺寸图
 
[返回] [打印]
 
Copyright (c) 2011 无锡安克拉姆电气科技有限公司 All reserved.

地址:无锡高新区新华路5号    电话:0510-85343091   传真:0510-85343092    网址:www.wx-anklam.com   E-mail:anklam@163.com 

               苏公网安备32021102000036号