中文版 | ENGLISH
电话:0510-85343091 85343092
E-mail:anklam@163.com
 产品介绍 _PRODUCT
- APF 中文宣传册
- SVG 中文宣传册
- TAPF 中文宣传册
- TSVG 中文宣传册
- 低压无功补偿装置
- 电抗器
- 电容器
- 功率因数控制器
- 晶闸体开关
- AN-CA 型自愈式低压并联电容器
- AN-CA 高压并联电容器
- AN-RE 低压串联滤波电抗器
- AN-RE 高压串联电抗器
- AN-RVT(D)-12功率因数控制器
- AN-RVT21D动态功率因数控制器
- AN-TSC动态投切开关
- 谐波保护器
- AN-APF有源电力滤波器
- 智能化动态有源无功补偿器
- 静止无功发生器
- 中压SVG
- AN-TC(S)L无源滤波装置
- 无功补偿设计选型方案
- 无功补偿设计图例
- 滤波装置投运报告
 
 
TSVG 中文宣传册
混合型动态无功补偿装置
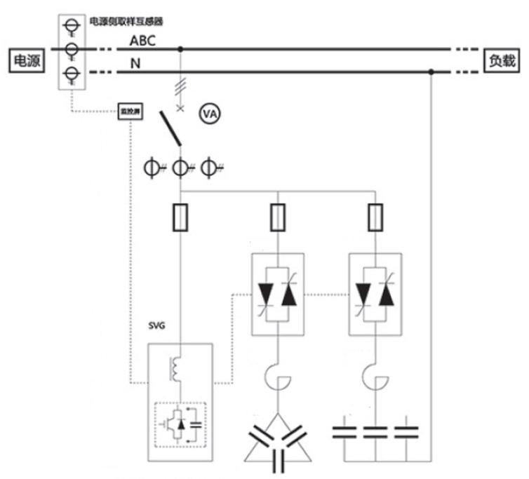
混合型动态无功补偿装置(TSVG)
产品图片

产品介绍

TSVG系列混合型无功补偿装置是基于最先进的柔性输配电技术开发的新型无功综合补偿装置,集动态无功补偿TSC、静止无功发生器SVG与一体。突破传统应用,在有效降低成本的同时,克服了传统电容柜分组投切存在级差,补偿精度差,响应速度慢等缺点,实现最佳的无功补偿效果

产品特点

  • 控制方式灵活,有源与无源技术优势互补
  • 自动跟踪负荷变化,可分相无极输出容性或感性无功电流,动态连续调节,实现无级补偿
  • TSC投切电容器采用过零投切技术,投入时无涌流
  • 响应速度快,相应时间<20ms,迅速抑制电压波动和电压闪变,补偿无功
  • 补偿精度高,可实现分相无级调节,在容量允许条件下,轻松将功率因数提升至0.99以上
  • SVG支路可以工作在三相四线模式,补偿不平衡的有功和无功
  • 高性价比,有源无源相结合,在保证无功补偿效果的同时,有效降低有源容量,实现较高性价比
  • 各功率单元可同时运行,也可单独运行,相互独立,可靠性高
  • 保护完善,欠压、过压、过流、限流、温升、IGBT保护等问题自动保护

技术参数

输入
工作电压 380V(-10%~+10%)/660V(-10%~+10%)
工作频率 50Hz/60Hz
性能指标
功率因数 不低于0.99(整机容量足够的情况下)
响应时间 ≤20ms
投切涌流
音频噪声 ≤60dB
保护功能 欠压、过压、过流、限流、温升、IGBT保护
有功功率损耗 满载<1.5% 额定补偿容量
谐波滤除范围 2~13次
显示及接口
语言类型 中文/英文
显示界面 7英寸触摸屏
操作按钮 触摸屏
通讯接口 RS-485、Modbus 其它通讯方式可定制
环境条件
环境 室内安装,洁净环境
环境温度 -10℃~+50℃
相对湿度 <95%(无凝露)
海拔高度 2000m,更高海拔可定制
 
[返回] [打印]
 
Copyright (c) 2011 无锡安克拉姆电气科技有限公司 All reserved.

地址:无锡高新区新华路5号    电话:0510-85343091   传真:0510-85343092    网址:www.wx-anklam.com   E-mail:anklam@163.com 

               苏公网安备32021102000036号