中文版 | ENGLISH
电话:0510-85343091 85343092
E-mail:anklam@163.com
 产品介绍 _PRODUCT
- APF 中文宣传册
- SVG 中文宣传册
- TAPF 中文宣传册
- TSVG 中文宣传册
- 低压无功补偿装置
- 电抗器
- 电容器
- 功率因数控制器
- 晶闸体开关
- AN-CA 型自愈式低压并联电容器
- AN-CA 高压并联电容器
- AN-RE 低压串联滤波电抗器
- AN-RE 高压串联电抗器
- AN-RVT(D)-12功率因数控制器
- AN-RVT21D动态功率因数控制器
- AN-TSC动态投切开关
- 谐波保护器
- AN-APF有源电力滤波器
- 智能化动态有源无功补偿器
- 静止无功发生器
- 中压SVG
- AN-TC(S)L无源滤波装置
- 无功补偿设计选型方案
- 无功补偿设计图例
- 滤波装置投运报告
 
 
TAPF 中文宣传册
产品图片
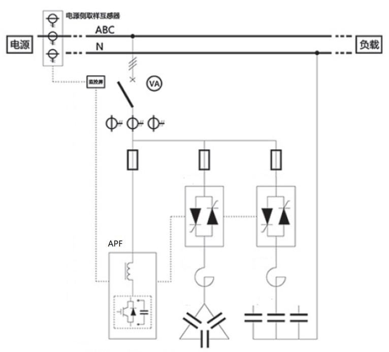
动态无功有源滤波综合补偿装置(TAPF)
产品图片
产品介绍

动态无功有源滤波综合补偿装置是由晶闸管投切电容器TSC和有源滤波器APF有机组合在一起的可快速

、连续光滑调节电力系统无功功率并且可以进行有源滤波的综合补偿装置,解决了传统无功补偿精度不够、谐波滤除效果差及纯有源滤波器进行无功补偿成本高的问题,具有投切无涌流、响应速度快、滤波效果好的特点,是低压动态无功补偿兼有源滤波的性价比较高的设备

产品特点

1、APF支路除实现滤波外还可以开启无功补偿功能,双向输出无功功率

2、输出的无功功率可在整机容量范围内连续调节

3、功率因数可达到0.99以上(总补偿容量足够的情况下)

4、APF支路可以工作在三相四线模式,补偿不平衡的有功和无功

5、TSC投切电容器采用过零投切技术,投入时无涌流

6、响应速度快,相应时间<20ms,迅速抑制电压波动和电压闪变,补偿无功

7、采用多重软、硬件抗干扰措施,抗干扰能力强,工作可靠

8、保护完善,欠压、过压、过流、限流、温升、IGBT保护等问题自动保护

技术参数
输入
工作电压 380V(-10%~+10%)/660V(-10%~+10%);
工作频率 50Hz/60Hz
性能指标
功率因数 不低于0.99(整机容量足够的情况下)
响应时间 ≤20ms
投切涌流
音频噪声 ≤60dB
保护功能 欠压、过压、过流、限流、温升、IGBT保护
有功功率损耗 满载<1.5% 额定补偿容量
谐波滤除范围 2~50次
显示及接口
语言类型 中文/英文
显示界面 7英寸触摸屏
操作按钮 触摸屏
通讯接口 RS-485、Modbus 其它通讯方式可定制
环境条件
环境 室内安装,洁净环境
环境温度 -10℃~+50℃
相对湿度 <95%(无凝露)
海拔高度 2000m,更高海拔可定制
 
[返回] [打印]
 
Copyright (c) 2011 无锡安克拉姆电气科技有限公司 All reserved.

地址:无锡高新区新华路5号    电话:0510-85343091   传真:0510-85343092    网址:www.wx-anklam.com   E-mail:anklam@163.com 

               苏公网安备32021102000036号